bjb_newsletter_popup
bjb_newsletter_popup
NEWSLETTER
Subscribe now and stay informed about new products and offers.
Privacy *
Here you can find our data protection information.

Product added to compare

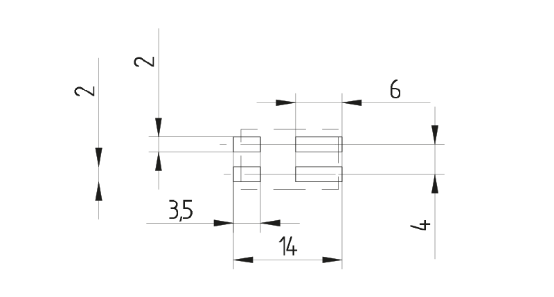
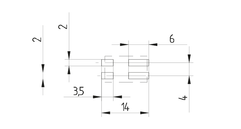
SMD Terminal Block MiniFlex - 2 pole

Product information "SMD Terminal Block MiniFlex - 2 pole"

Direct insertion of solid and stranded, tinned wire ends and finely stranded conductors by using the contact opening function

Contact opening function - also for release of already inserted wires

Mounting and wiring position: PCB top side

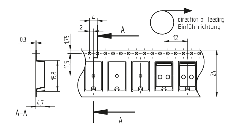
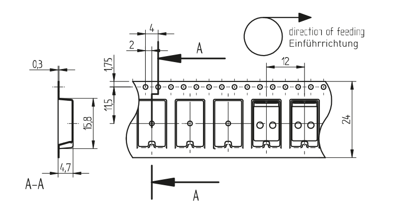
Machine-compatible 'tape-and-reel' packaging

Fixing: Lead-free reflow soldering according to DIN EN 610760-1, section 6

General note: It is recommended to make an electrical connection between both poles of each polarity on the solder pad..

To operate the contact opening function, we recommend the use of our tools 46.131.U802 and 46.131.E397.

For further technical data, please refer to the technical data sheet under menu item downloads.

Instructions for soldering process
Suitable for leadfree-reflow-profiles according to DIN EN 61760-1 respective DIN EN 60068-2-58 up to peak-temperature of max. 260°C. Due to different application-specific parameters (component arrangement and alignment, soldering system, solder paste), it is recommended to use test runs to determine a suitable profile under production conditions.

Depending on the SMD soldering process and associated parameters a minor discoloration might occur. However, this will not influence the functionality.

 

Color: white
Conductor cross-section: Eindrähtige Leiter / Solid wires: 0,20 - 0,75 mm² AWG 24-18; Feindrähtige, verzinnte Leiter / Stranded, tinned wires: 0.20 - 0.5 mm², AWG 24-20; Feindrähtige Leiter / Stranded wires: 0.20 - 0.75 mm², AWG 24-18
Connector: push wire contact
Country of origin: DE
Height: 4 mm / 0.16 inch
Height (build in): 4 mm
Length: 12.9 mm / 0.51 inch
Material: Material: Housing: PPA, white; Contact material: CuNi; Contact surface: hot-dipped tinned
Note warranty conditions: *Warranty conditions of BJB GmbH & Co. KG as stated as available via the Internet under https://www.bjb.com/en/legal-information/general-terms-and-conditions/ are valid.
Number of poles: 2
Packaging quantity: 22750
Producttype: MiniFlex SMD Terminal Blocks
Series: MiniFlex SMD Terminal Blocks
Table for product detail view: 1
Temperature rating: Ambient temperature from -40°C to 125°C
UL: yes
Weight: 0,4 g
Width: 8 mm / 0.32 inch
Wiring: PCB top side
mounting method 1: Solder fixing
old article number: 46.132.2001.50

Certifications

Article Number Status Description Documents
46.132.2001-0 ENEC_Zeichen-ENEC_Approval4628953
46.132.2001-0 cURus,_gültig_für_USA_und_Kanada-cURus_(USA_and_Kanada)4268179
  • 0.20-0.50 mm², AWG 24-20

  • 0,20-0,75 mm², AWG 24 -18

  • Ø < 2.1 -2.7 mm = 9+1 mm

  • 0.20 - 0.75mm²AWG 24 - 18

Accessories

MiniFlex PBT Contact Opening Tool - for sample use
46.131.E397-1
Details
MiniFlex Contact Opening Tool - for permanent use
46.131.U802-0
Details
B2B Connector MiniFlex 30 - 1 pole
46.131.U703-0
Details
B2B Connector MiniFlex 28 - 1 pole
46.131.U702-0
Details
B2B Connector MiniFlex 26 - 1 pole
46.131.U701-0
Details