bjb_newsletter_popup
bjb_newsletter_popup
NEWSLETTER
Subscribe now and stay informed about new products and offers.
Privacy *
Here you can find our data protection information.

Product added to compare

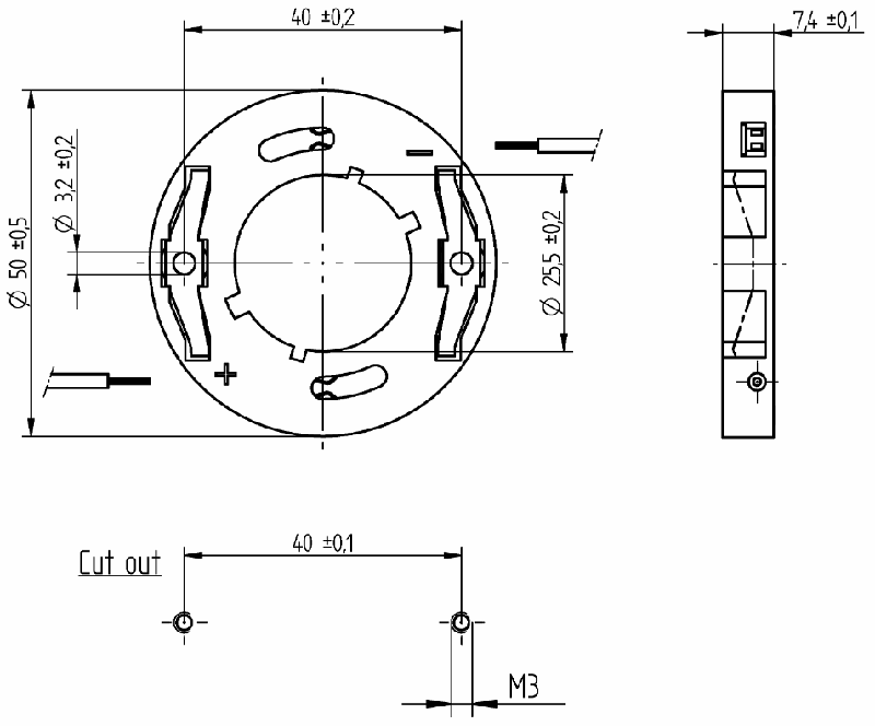
Lampholder GH36d-3 for Twist 'n' Spot/Downlight LED Module

Product information "Lampholder GH36d-3 for Twist 'n' Spot/Downlight LED Module"
Twist and Lock System
Strip length: 8+1 mm
Optimised heat management: CrNi leaf springs provide permanent contact pressure between LED module and heat sink
Screw fixing via standard M3 screws
Max. torque for screw fixing 0.3 Nm
VDE-REG.-No. E659
Color: black
Key: GH36d-3
Material: Housing: PPSMaterial contacts: CuSnLeaf Spring: CrNi
Note warranty conditions: *Warranty conditions of BJB GmbH & Co. KG as stated as available via the Internet under https://www.bjb.com/en/legal-information/general-terms-and-conditions/ are valid.
Packaging quantity: 240
Producttype: Lampholders and bases for GH36d LED Light Engines
Rated output current: 2 A
Rated voltage: 150 V
Screws: M3
Series: Lampholders and bases for GH36d LED Light Engines
Temperature: max. 140°C
Thread: max. torque 0,3 Nm
Weight: 9,4 g
mounting method 1: Screw mount
old article number: 28.720.1002.90

Available Downloads

Certifications

Article Number Status Description Documents
28.720.1002-0 ÜG_Überwachungsgutachten-Certificate_of_Conformity4710759
28.720.1002-0 Genehmigung_liegt_vor-Approval_at_hand5665445
  • 2 connection points

  • 0,5 mm²

  • 8.0 + 1 mm