bjb_newsletter_popup
bjb_newsletter_popup
NEWSLETTER
Subscribe now and stay informed about new products and offers.
Privacy *
Here you can find our data protection information.

Product added to compare

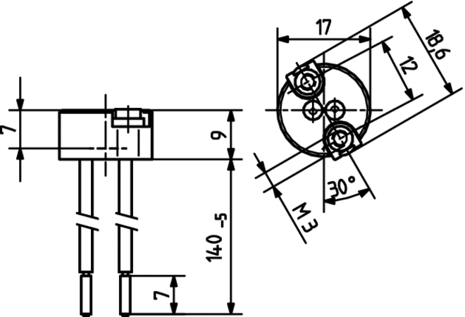
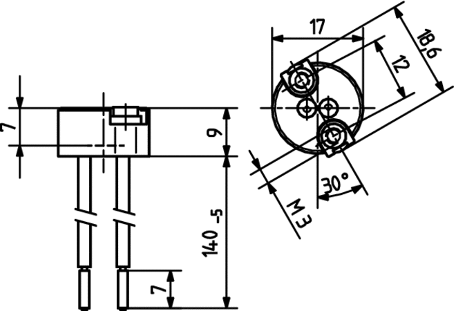
Lampholder G4

Product information "Lampholder G4"
- The method of wiring must be such that no stress or bending motions will be transferred to
the contacts, thus reducing the contact / pressure on the lamp pins.
- cURus: File E-93328
Ausführung: G4 / Connector GZ4
Connector: Rear leads
Halogen lamps-low voltage: G4
Material: Housing: Ceramic / Mica plateContacts: Ni
Note warranty conditions: *Warranty conditions of BJB GmbH & Co. KG as stated as available via the Internet under https://www.bjb.com/en/legal-information/general-terms-and-conditions/ are valid.
Packaging quantity: 500
Producttype: G4 / Connector GZ4
ROHS REACH Information: This product contains the following REACH SVHC substances:Lead in specific copper alloysFor more information, please refer to:https://www.bjb.com/en/Information-RoHS/REACH
Series: Low Voltage Halogen Lampholders
Weight: 8 g
Wires: Cu, tin-plated, 0.75 mm², with ferrule, Insulation: silicone (max. 180° C), lead length: 140 mm
mounting method 1: Screw mount with thread inserts M 3
old article number: 25.104.4222.00

Certifications

Article Number Status Description Documents
25.104.4222-0 Genehmigung_liegt_vor-Approval_at_hand4805042
25.104.4222-0 ENEC_Zeichen-ENEC_Approval689086
25.104.4222-0 Genehmigung_liegt_vor-Approval_at_hand750450