Zum Hauptinhalt springen Zur Suche springen Zur Hauptnavigation springen
Bitte fügen Sie ein weiteres Produkt zum Vergleich hinzu.

P2F Screw'n'Profile Groove P 3.5

Produktinformationen "P2F Screw'n'Profile Groove P 3.5"

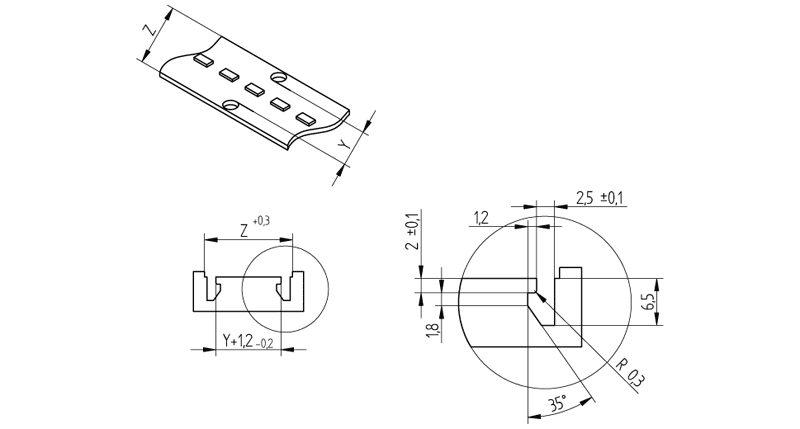
Screw'n'ProfileGroove P2F P35 - Befestigungselement für Schraub- und Profilnut für Leiterplatten Einfache und schnelle manuelle Montage, z.B. mittels Handwerkzeug mit MagnetbitKeine Abschattung der LED, niedrigste mögliche Bauform oberhalb der Platine bei gleichzeitiger Halte und AndruckfunktionZuverlässige Wärmeableitung, dauerhafter Andruck der Module durch MetallfederNach erfolgter Montage wird eine dauerhafte Anpresskraft von 10 N gewährleistetFormschlüssige RastverbindungErschütterungs- und vibrationsfestSchwimmende Lagerung, Ausgleich von Toleranzen sowie thermischer LangenänderungenEin definierter Klemmbereich 3,5mm +/-0,2 (Paketdicke), aufgebaut aus LED Modul und Profilabsatz)Geringere Fügekraft im Vergleich zur notwendigen Axialkraft eines Schraubprozess
alte Artikelnummer: 28.903.-101.10
Befestigungsart 1: Steckbefestigung für lineare LED-Module in Aluminiumprofile
Geeignet für: für Schraub- und Profilnut in Leiterplatten
Gewicht: 2 g
Hinweis Garantiebedingungen: *Es gelten die aktuellen Garantiebedingungen der BJB GmbH & Co. KG im Internet unter https://www.bjb.com/rechtliches/agb/
Material: CrNi
Paketdicke (X): LED-Modul + Aluminiumprofil: 3.5 ±0.2 mm
Produkttyp: P2F Screw and Profile Grooves Fixing Elements for PCBs
Serie: P2F Screw'n'Profile Groove Befestigungselemente für Leiterplatten
Ursprungsland: DE
Verpackungsart: Beutel
Verpackungsmenge: 4000

Prüfzeichen

Artikel-Nr Status Beschreibung Dokument
Produktgalerie überspringen

Zubehör

P2F Screw'n'Profile Groove Bit Montagehilfe
28.903.U811-0
Details
P2F Silicone Bit Halter Montagehilfe
28.901.U801-0
Details