bjb_newsletter_popup
bjb_newsletter_popup
NEWSLETTER
Abonnieren Sie jetzt und bleiben Sie über neue Produkte und Angebote informiert.
Datenschutz *
Hier finden Sie unsere Datenschutzbestimmungen.

Bitte fügen Sie ein weiteres Produkt zum Vergleich hinzu.

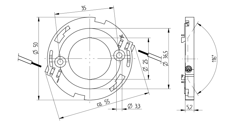
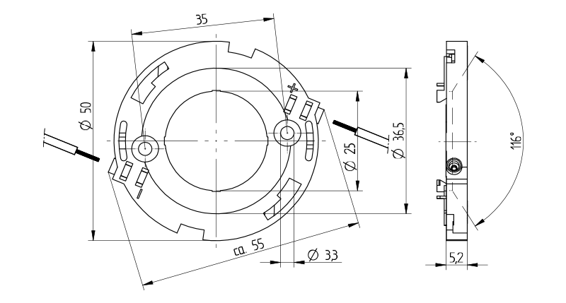
COB Connector Ø50 LED array 28 x 28

Produktinformationen "COB Connector Ø50 LED array 28 x 28"
Mit integrierter ReflektorbefestigungSchraubbefestigung: für Schrauben M3 mit SicherungsscheibenMax. Drehmoment für Schraubbefestigung 0,5 Nm* Abisolierlänge: 7-1 mm Bitte beachten Sie die Polung der LED Bitte beachten Sie die Spezifikationen des LED-Herstellers VDE-Reg. Nr. E289*Das max. Drehmomente des COB-Herstellers ist zu beachten
alte Artikelnummer: 47.319.2314.50
Befestigungsart 1: Schraubbefestigung
Befestigungsart 2: P2F-Befestigung mit 28.902.-102
Betriebstemperatur: max. 130°C
Durchmesser: Ø 50 mm
Gewicht: 5 g
Hinweis Garantiebedingungen: *Es gelten die aktuellen Garantiebedingungen der BJB GmbH & Co. KG im Internet unter https://www.bjb.com/rechtliches/agb/
LED?: für den Einsatz von COBs
LED Array: 28 x 28 mm
Leiterquerschnitt: 0.5 mm²
Material: Gehäuse: PBTKontakte: CuSn
Produkttyp: Spotlight Connectors and Accessories
Prüfzeichen: VDE GUTACHTEN MIT FERTIGUNGSÜBERWACHUNG EN 60838-1
Rating: 3A / 150 VDC
Serie: COB Anschlusselemente - 47.319
UL: ja
Verpackungsmenge: 420
Vorfixierung: Platinenhalter
Vorzentrierung für COB: Ja
cURus file no.: E-345385

Geeignet für die nachfolgenden LED-Typen

LED Hersteller LED Bezeichnung Weitere Informationen
Bridgelux DS46 V22 Gen. 6 www.bridgelux.com
Bridgelux DS116 V22 Gen. 7 www.bridgelux.com
Bridgelux DS413 V13 Gen. 8 www.bridgelux.com
Bridgelux DS416 V22 Gen. 8 www.bridgelux.com
Bridgelux DS449 V22 Gen. 8 www.bridgelux.com
Citizen CLL040 ce.citizen.co.jp
Citizen CLL042 ce.citizen.co.jp
Citizen CLU04H ce.citizen.co.jp
Citizen CLU04J Serie 8 ce.citizen.co.jp
Citizen CLU04Q Serie 9 ce.citizen.co.jp
Citizen CLU04Q Serie 9 Type-Y ce.citizen.co.jp
Citizen CLU044 ce.citizen.co.jp
Citizen CLU046 ce.citizen.co.jp
Citizen CLU048 ce.citizen.co.jp
Citizen CLU048 Serie 6 ce.citizen.co.jp
Cree CMU2236 cree-led.com
Cree CMU2239 cree-led.com
Cree CMU2287 cree-led.com
Itswell IWC-B53R2-XX-Q1212 www.itswell.com
LUMILEDS Luxeon 1211 www.lumileds.com
Lextar PB20U02.0 www.lextar.com
Lextar PB30H02.0 www.lextar.com
Lextar PB30U03.0 www.lextar.com
Lextar PB38H01 V4 www.lextar.com
Lextar PB40H02.0 www.lextar.com
Lextar PB40U03.0 Gen. 2 www.lextar.com
Luminus XNova CXM-22 www.luminus.com
Sunpu G7 www.sunpu-opto.com
  • 0,25 - 0,5 mm²

  • 0,5 mm²

Zubehör

Reflektor Spot, Ø 74 mm
47.950.E301-0
Details
Reflektor Medium, Ø 74 mm
47.950.E302-0
Details
Reflektor Flood, Ø 74 mm
47.950.E303-1
Details
P2F COB Connector
28.902.E102-0
Details
Reflektor Spot, Ø 92 mm
47.950.E304-0
Details
Reflektor Medium, Ø 92 mm
47.950.E305-0
Details
Reflektor Flood, Ø 92 mm
47.950.E306-1
Details
Reflektor Flood, Ø 92 mm
47.950.E307-0
Details
Reflektor Spot, Ø 74 mm
47.950.E308-0
Details
OptiSpot Collimator - spot
47.950.U411-0
Details
OptiSpot Reflector Ø 110 mm - Spot
35.850.1001-0
Details
OptiSpot Reflector Ø 110 mm - Medium
35.850.1002-0
Details
OptiSpot Reflector Ø 110 mm - Flood
35.850.1003-0
Details
OptiSpot Reflector Ø 110 mm - Wide Flood
35.850.1004-0
Details