bjb_newsletter_popup
bjb_newsletter_popup
NEWSLETTER
Abonnieren Sie jetzt und bleiben Sie über neue Produkte und Angebote informiert.
Datenschutz *
Hier finden Sie unsere Datenschutzbestimmungen.

Bitte fügen Sie ein weiteres Produkt zum Vergleich hinzu.

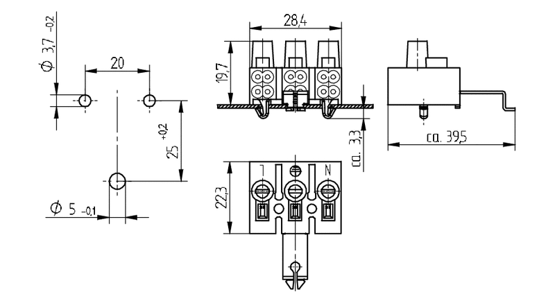
Verbindungsklemme 3-polig

Produktinformationen "Verbindungsklemme 3-polig"
Der Erdungsbügel belegt 2 Anschlüsse Schraub- / Steckkontakt Nennquerschnitt: 1,5 mm² Steckklemmen: 0,5 - 1,5 mm² Schraubklemmen auch für Leitungen mit Aderendhülsen
alte Artikelnummer: 48.112.0314.51
Befestigungsart 1: Steckbefestigung
Beschriftung: N ⏚ L
Erdkontakt: Erdungsbügel rastbar
Gewicht: 9 g
Hinweis Garantiebedingungen: *Es gelten die aktuellen Garantiebedingungen der BJB GmbH & Co. KG im Internet unter https://www.bjb.com/rechtliches/agb/
Leuchtenwanddicke: 0,6 - 1,0
Material: Gehäuse: PA 6.6
Polzahl: 3
Produkttyp: 3 pole - screw / push-wire terminals
Schraubklemmen: ø 3,4
Serie: Schraub-/ Steck-Kontakte
Verpackungsmenge: 1000

Prüfzeichen

Artikel-Nr Status Beschreibung Dokument
48.112.0314-1 ÜG_Überwachungsgutachten-Certificate_of_Conformity2446048
48.112.0314-1 Genehmigung_liegt_vor-Approval_at_hand4070828
  • ø 3,4

  • 0,6 - 1,0