bjb_newsletter_popup
bjb_newsletter_popup
NEWSLETTER
Abonnieren Sie jetzt und bleiben Sie über neue Produkte und Angebote informiert.
Datenschutz *
Hier finden Sie unsere Datenschutzbestimmungen.

Bitte fügen Sie ein weiteres Produkt zum Vergleich hinzu.

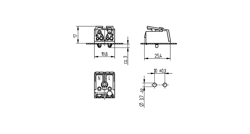
Verbindungsklemme 2-polig

Produktinformationen "Verbindungsklemme 2-polig"
Interne Verdrahtung: nur für 1-drähtige Leiter und 7-adrige LeitungsendenLeiterquerschnitt:Extern: 2 x 0,5 - 2,5 mm² mit Taste lösbarIntern:- a) 1 x 0,5 - 1,0 mm² , lösbar- b) 1 x 0,5 - 2,5 mm² , lösbar- c) Entstörkondensator: 1 x 0,5 - 0,75 mm² , nicht lösbarWeitere Beschriftungen auf Anfrage
alte Artikelnummer: 46.412.4114.51
Befestigungsart 1: Schraubbefestigung
Beschriftung: 1 N
Betriebsspannung: 450V
Betriebsstrom: 24A
Gewicht: 5,5 g
Hinweis Garantiebedingungen: *Es gelten die aktuellen Garantiebedingungen der BJB GmbH & Co. KG im Internet unter https://www.bjb.com/rechtliches/agb/
Kontaktöffnung: Mit integrierter Taste zur Kontaktöffnung extern
Material: Gehäuse: PC (V0)
Polzahl: 2
Produkttyp: 2 pole - pushwire terminal
Serie: Steck-/ Steck-Kontakte
Verpackungsmenge: 4000

Verfügbare CAD Downloads

  • max. ø 1,8 mm

  • 0,5 - 1,0 mm²: 8 - 9 mm / 1,0 - 2,5 mm²: 12 - 13 mm

  • 24A/450V

  • max. ø 1,8 mm

Zubehör

Lösedorn - Werkzeug zum Lösen von eingesteckten Leitungen
84.095.3301-1
Details