bjb_newsletter_popup
bjb_newsletter_popup
NEWSLETTER
Abonnieren Sie jetzt und bleiben Sie über neue Produkte und Angebote informiert.
Datenschutz *
Hier finden Sie unsere Datenschutzbestimmungen.

Bitte fügen Sie ein weiteres Produkt zum Vergleich hinzu.

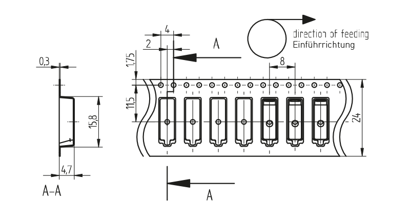
SMD-Leiterplattenklemme - MiniFlex - 1-polig

Produktinformationen "SMD-Leiterplattenklemme - MiniFlex - 1-polig"
Direktes Stecken von eindrähtigen und feindrähtig, verzinnten Leitern, sowie feindrähtigen Leitern durch Betätigen der Kontaktöffnungsfunktion Kontaktöffnungsfunktion- auch zum Lösen bereits eingesteckter Leiter. Montage- und Verdrahtungsposition: Leiterplatte oberseitig Automatengerechte "Tape-and-Reel" Verpackung Befestigung: Bleifreie Reflow-Lötung nach DIN EN 610760-1, Abschnitt 6 Generelle Empfehlung: Die beiden Lötflächen eines Klemmpoles auf der Platine sollten elektrisch miteinander verbunden werden. Zur Betätigung der Kontaktöffnungsfunktion, empfehlen wir den Einsatz unseres Werkzeugs 46.131.U802 und 46.131.E397Weitere technische Daten entnehmen Sie bitte dem Technischen Datenblatt unter Menüpunkt Downloads. Hinweise zur Verarbeitung Geeignet für bleifreie Reflow-Lötprofile in Anlehnung an DIN EN 61760-1 bzw. DIN EN 60068-2-58 bis zu einer Peak-Temperatur von max. 260 °C. Aufgrund von unterschiedlichen anwendungsspezifischen Einflussgrößen (Bauteilanordnung und -ausrichtung, Lötanlage, Lötpaste) wird empfohlen, mittels Testläufen ein geeignetes Profil unter Fertigungsbedingungen zu ermitteln. Abhängig vom SMD-Prozess und den Lötparametern kann eine leichte Verfärbung auftreten, welche jedoch die technische Funktionsweis nicht beeinflusst.
alte Artikelnummer: 46.131.2001.50
Anschluss: Steckkontakt
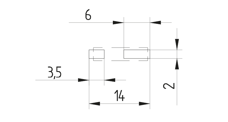
Aufbauhöhe: 4 mm
Befestigungsart 1: Lötbefestigung
Breite: 4 mm / 0.16 inch
Farbe: weiß
Gewicht: 0,20 g
Hinweis Garantiebedingungen: *Es gelten die aktuellen Garantiebedingungen der BJB GmbH & Co. KG im Internet unter https://www.bjb.com/rechtliches/agb/
Höhe: 4 mm / 0.16 inch
Leiterquerschnitt: Eindrähtige Leiter / Solid wires: 0.20 - 0.75 mm², AWG 24-18; Feindrähtige, verzinnte Leiter / Stranded, tinned wires: 0.20 - 0.5 mm², AWG 24-20; Feindrähtige Leiter / Stranded wires: 0.20 - 0.75 mm², AWG 24-18
Länge: 19 mm / 0.51 inch
Material: Gehäuse: PPA, weiß; Kontaktwerkstoff: CuNi; Kontaktoberfläche: feuerverzinnt
Polzahl: 1
Produkttyp: MiniFlex SMD Terminal Blocks
Serie: MiniFlex SMD-Leiterplattenklemmen
Table for product detail view: 1
Temperaturindex: Umgebungstemperatur von -40°C bis 125°C
UL: ja
Ursprungsland: DE
Verdrahtung: Leiterplatte oberseitig
Verpackungsmenge: 34450

Prüfzeichen

Artikel-Nr Status Beschreibung Dokument
46.131.2001-0 ENEC_Zeichen-ENEC_Approval4628953
46.131.2001-0 cURus,_gültig_für_USA_und_Kanada-cURus_(USA_and_Kanada)4268179
  • 0.20-0.50 mm²AWG 24-20

  • 0,20-0,75 mm²AWG 24 -18

  • Ø < 2.1 -2.7 mm = 9+1 mm

  • 0.20 - 0.75mm²AWG 24 - 18

Zubehör

MiniFlex PBT Contact Opening Tool - für Mustergebrauch
46.131.E397-1
Details
MiniFlex Contact Opening Tool - für Dauereinsatz
46.131.U802-0
Details
B2B Connector MiniFlex 26 - 1 pole
46.131.U701-0
Details
B2B Connector MiniFlex 28 - 1 pole
46.131.U702-0
Details
B2B Connector MiniFlex 30 - 1 pole
46.131.U703-0
Details