bjb_newsletter_popup
bjb_newsletter_popup
NEWSLETTER
Abonnieren Sie jetzt und bleiben Sie über neue Produkte und Angebote informiert.
Datenschutz *
Hier finden Sie unsere Datenschutzbestimmungen.

Bitte fügen Sie ein weiteres Produkt zum Vergleich hinzu.

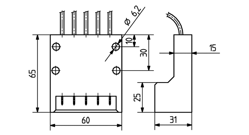
Prüfadapter für 5 polige Klemmen

Produktinformationen "Prüfadapter für 5 polige Klemmen"
Für 5-polige Klemmen 46.415...
alte Artikelnummer: 46.911.1003.51
Ausführung: Prüfadapter für 3 und 5 polige Klemmen
Befestigungsart 1: Schraubbefestigung
Farbe: naturfarben
Gewicht: 75 g
Hinweis Garantiebedingungen: *Es gelten die aktuellen Garantiebedingungen der BJB GmbH & Co. KG im Internet unter https://www.bjb.com/rechtliches/agb/
Produkttyp: Test adaptor for terminal blocks 3 and 5 pole
Serie: Steck-/ Steck-Kontakte
Verpackungsmenge: 1

Prüfzeichen

Artikel-Nr Status Beschreibung Dokument
46.911.1003-0 Genehmigung_liegt_vor-Approval_at_hand4070828