bjb_newsletter_popup
bjb_newsletter_popup
NEWSLETTER
Abonnieren Sie jetzt und bleiben Sie über neue Produkte und Angebote informiert.
Datenschutz *
Hier finden Sie unsere Datenschutzbestimmungen.

Bitte fügen Sie ein weiteres Produkt zum Vergleich hinzu.

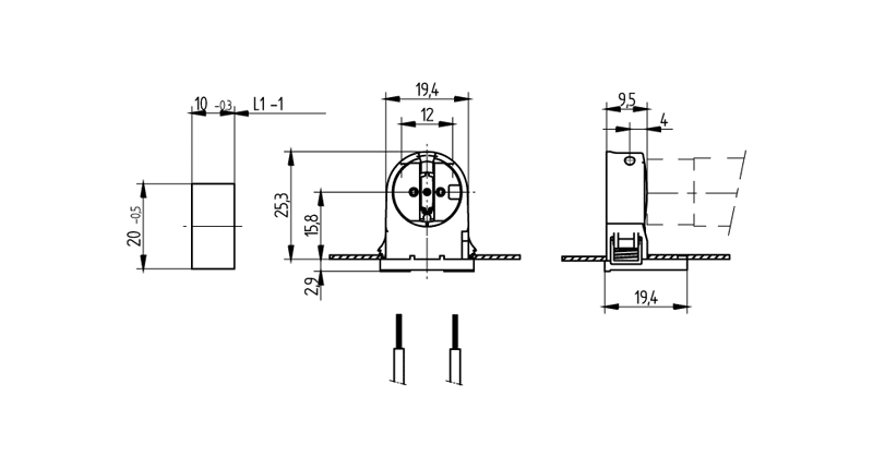
G5 Durchsteckfassung

Produktinformationen "G5 Durchsteckfassung"
Für geschlossene Ausschnitte: 10 x 20 mm Toleranzausgleich der Lampenlänge pro Fassungspaar: 2 mm
alte Artikelnummer: 26.620.3014.51
Approbation: zusätzlich cULus (120W / 600V)
Ausführung: G5 Durchsteckfassungen
Befestigungsart 1: Steckbefestigung
Farbe: weiß
Front Test: ja
Gewicht: 3 g
Hinweis Garantiebedingungen: *Es gelten die aktuellen Garantiebedingungen der BJB GmbH & Co. KG im Internet unter https://www.bjb.com/rechtliches/agb/
Lampenachshöhe: 15,8
Leuchtenwanddicke: 0,5 - 1,5
Material: Gehäuse: PBTRotor: PBT
Produkttyp: G5 Push-Through Lampholders
Rotor: mit
Serie: Leuchtstofflampen-Fassungen für Trockenraum (IP20)
T-Kennzeichnung: 130
Top Test: ja
UL: ja
Verpackungsmenge: 1000
cULus file no.: E-92235

Verfügbare CAD Downloads

Prüfzeichen

Artikel-Nr Status Beschreibung Dokument
26.620.3014-0 PSE-Mark_(Japan)-PSE-Mark1206225
26.620.3014-0 cULus,_gültig_für_USA_und_Kanada-cULus_(USA_and_Kanada)727851
26.620.3014-0 ENEC_Zeichen-ENEC_Approval713266
  • 0,5 - 1,5

  • 18 AWG0,5 -1,0 mm²