bjb_newsletter_popup
bjb_newsletter_popup
NEWSLETTER
Abonnieren Sie jetzt und bleiben Sie über neue Produkte und Angebote informiert.
Datenschutz *
Hier finden Sie unsere Datenschutzbestimmungen.

Bitte fügen Sie ein weiteres Produkt zum Vergleich hinzu.

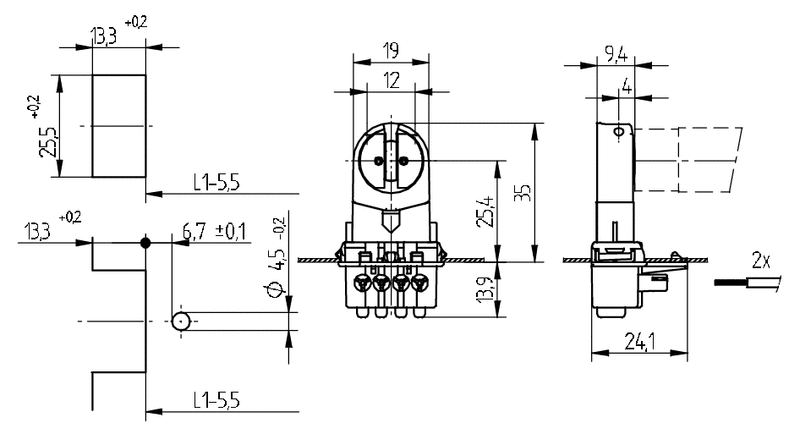
G13 Adpter für BJB Stecksystem

Produktinformationen "G13 Adpter für BJB Stecksystem"
Ohne Haltezapfen für geschlossene Ausschnitte.
alte Artikelnummer: 26.921.-312.50
Approbation: Adapter für Stecksystem
Ausführung: BJB Stecksystem
Farbe: weiß
Gewicht: 3 g
Hinweis Garantiebedingungen: *Es gelten die aktuellen Garantiebedingungen der BJB GmbH & Co. KG im Internet unter https://www.bjb.com/rechtliches/agb/
Leuchtenwanddicke: 0,4 - 1,0
Material: Gehäuse: PC
Produkttyp: Lampholders in BJB connector system
Serie: Leuchtstofflampen-Fassungen für Trockenraum (IP20)
Sonstiges: Adapter für Stecksystem
Verpackungsmenge: 250

Prüfzeichen

Artikel-Nr Status Beschreibung Dokument
  • 0,5 mm²

  • 0,4 - 1,0