Zum Hauptinhalt springen Zur Suche springen Zur Hauptnavigation springen
Bitte fügen Sie ein weiteres Produkt zum Vergleich hinzu.

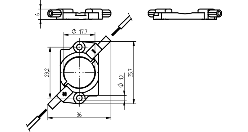
COB Connector Spec J360 COB

Produktinformationen "COB Connector Spec J360 COB"

Schraubbefestigung: für Schrauben M3 mit SicherungsscheibenMax. Drehmoment für Schraubbefestigung 0,5 Nm*Abisolierlänge: 6+1 mmBitte beachten Sie die Polung der LEDBitte beachten Sie die Spezifikationen des LED-HerstellersVDE-Reg. Nr. D971*Das max. Drehmomente des COB-Herstellers ist zu beachten
alte Artikelnummer: 47.316.3002.50
Befestigungsart 1: Schraubbefestigung
Betriebstemperatur: max. 110°C
Geeignet für: J360 von Nichia
Gewicht: 2 g
Hinweis Garantiebedingungen: *Es gelten die aktuellen Garantiebedingungen der BJB GmbH & Co. KG im Internet unter https://www.bjb.com/rechtliches/agb/
LED?: für den Einsatz von COBs
Leiterquerschnitt: 0.75 mm²
Material: Gehäuse: PBTKontakte: CuSn
Produkttyp: Connectors für special COB's
Rating: 3A / 300 VDC
Serie: Anschlusselemente für Spezial COBs - 47.315-318
UL: ja
Verpackungsmenge: 280
Vorzentrierung für COB: Nein
cURus file no.: E-345385

Prüfzeichen

Artikel-Nr Status Beschreibung Dokument
47.316.3002-0 cURus_(USA_and_Canada)--3437952

Geeignet für die nachfolgenden LED-Typen

LED Hersteller LED Bezeichnung Weitere Informationen
Nichia J360 www.nichia.co.jp
  • 20 AWG

  • 20 AWG