Skip to main content Skip to search Skip to main navigation
Product added to compare

SMD Terminal Block Pico - 1 pole

Product information "SMD Terminal Block Pico - 1 pole"

Funnel-shaped wire insertion channel for easy wire insertion

Direct insertion of solid and stranded, tinned wire ends and finely stranded conductors by using the contact opening function

Contact opening function - also for release of already inserted wires

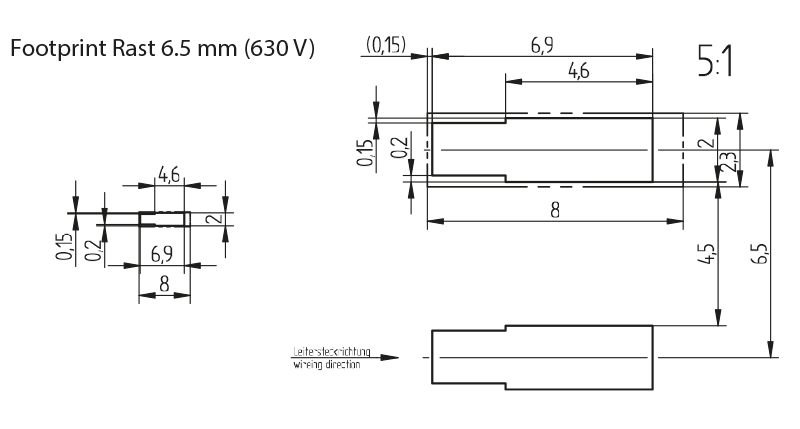
Mounting and wiring position: PCB top side

Machine-compatible 'tape-and-reel' packaging

Fixing: Lead-free reflow soldering according to DIN EN 610760-1, section 6

Note: Terminal without insulation housing! Protection against contact when using voltage> extra-low voltage (SELV, PELV) must be ensured in the application.

For further technical data, please refer to the technical data sheet under menu item downloads.

Instructions for soldering process
Suitable for leadfree-reflow-profiles according to DIN EN 61760-1 respective DIN EN 60068-2-58 up to peak-temperature of max. 260°C. Due to different application-specific parameters (component arrangement and alignment, soldering system, solder paste), it is recommended to use test runs to determine a suitable profile under production conditions.

Depending on the SMD soldering process and associated parameters a minor discoloration might occur. However, this will not influence the functionality.

 

Conductor cross-section: Eindrähtige Leiter / Solid wires: 0,20 - 0,75 mm² AWG 24-18; Feindrähtige, verzinnte Leiter / Stranded, tinned wires: 0.20 - 0.5 mm², AWG 24-20; Feindrähtige Leiter / Stranded wires: 0.20 - 0.75 mm², AWG 24-18
Connector: push wire contact
Height: 2,7 mm / 0.16 inch
Height (build in): 2.7 mm
Length: 8 mm / 0.52 inch
Material: Material: CrNi / CuSn; Clamping spring material: CrNi; Contact material: CuSN; Contact surface: hot-dipped tinned
Note warranty conditions: *Warranty conditions of BJB GmbH & Co. KG as stated as available via the Internet under https://www.bjb.com/en/legal-information/general-terms-and-conditions/ are valid.
Number of poles: 1
Operating temperature: max. 260 °C
Packaging quantity: 108000
Producttype: Pico SMD Terminal Blocks
Series: Pico SMD Terminal Blocks
Temperature rating: Ambient temperature from -40 °C to + 105 °C
UL: yes
Weight: 0,15 g
Width: 2.3 mm / 0.15 inch
Wiring: PCB top side
mounting method 1: Solder fixing
old article number: 46.110.1001.48

Certifications

Article Number Status Description Documents
46.110.1001-0 cURus_(USA_and_Canada)--4268179
46.110.1001-0 ENEC_Zeichen_--ENEC_Approval_-6540990
  • 0.20-0.50 mm²AWG 24-20

  • 0,20-0,75 mm²AWG 24 -18

  • 7.5 - 9.5 mm

  • 0.20 - 0.75mm²AWG 24 - 18

Skip product gallery

Accessories

B2B Connector Pico 15.6 - 1 pole
46.110.E702-0
Details
B2B Connector Pico 17.6 - 1 pole
46.110.E703-0
Details
B2B Connector MiniFlex 30 - 1 pole
46.131.U703-0
Details
B2B Connector MiniFlex 26 - 1 pole
46.131.U701-0
Details
B2B Connector MiniFlex 28 - 1 pole
46.131.U702-0
Details
B2B Connector Pico 26 - 1 pole
46.131.E701-0
Details
Pico Contact Opening Tool
46.110.U801-0
Details
Pico Contact Opening Tool
46.110.E301-0
Details