Skip to main content Skip to search Skip to main navigation
Product added to compare

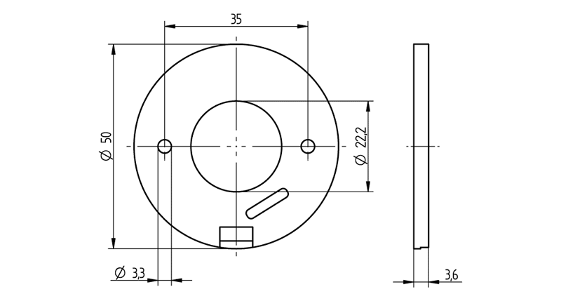
Adaptor for COBs

Product information "Adaptor for COBs"

Screw mounting: for screws M3 and locking washer
Max. torque for screw fixing 0.5 Nm*
Strip length: 7-1 mm
Polarity of LED must be observed
Specifications of LED manufacturer must be observed
cURus: For limited applications
VDE-Reg. No. E289
*Please note the max torque of the COB manufacturer
LED?: 1
Material: PC
Note warranty conditions: *Warranty conditions of BJB GmbH & Co. KG as stated as available via the Internet under https://www.bjb.com/en/legal-information/general-terms-and-conditions/ are valid.
Packaging quantity: 500
Pre-centering for COB: Yes
Prefixation: Stranglepins
Producttype: Spotlight Connectors and Accessories
Series: COB Connectors - 47.319
Suitable for: Adaptor for COBs Vero 18 from Bridgelux
UL: yes
Weight: 5 g
approbation: cURus
mounting method 1: Screw mount
old article number: 47.919.-301.50

Certifications

Article Number Status Description Documents